4. 试比较下图所示三种标注方法的异同,分别写出其验收合格条件。
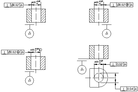
5. 比较下图中的四种垂直度公差标注方法区别。
第[
1
][
2
][
3
][
4
][
5
][
6
][
7
][
8
]页