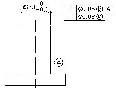
12. 如图所示,要求:
(1)指出被测要素遵守的公差原则。
(2)求出单一要素的最大实体实效尺寸,关联要素的最大实体实效尺寸。
(3)求被测要素的形状、位置公差的给定值,最大允许值的大小。
(4)若被测要素实际尺寸处处为φ19.97mm,轴线对基准A的垂直度误差为φ0.09mm,判断其垂直度的合格性,并说明理由。

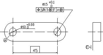
13. 分析计算下图所注零件的中心距变化范围。

 

第[1][2][3][4][5][6][7][8]页