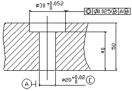
14. 如下图所示,
(1)采用什么公差原则?
(2)被测要素的同轴度公差是在什么状态下给定的?
(3)当被测要素尺寸为φ30.021mm,基准要素尺寸为φ20.013mm时,同轴度允许的最大公差可达多少?(基准要素未注直线度公差值为0.03mm)

 

第[1][2][3][4][5][6][7][8]页