10. 如图所示,被测要素采用的公差原则是__,最大实体尺寸是__mm,最小实体尺寸是__mm ,实效尺寸是__mm,当该轴实际尺寸处处加工到20 mm时,垂直度误差允许值是__mm,当该轴实际尺寸处处加工到φ19.98mm时,垂直度误差允许值是__mm。

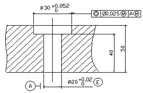
11. 如图所示,若被测孔的形状正确。
(1)测得其实际尺寸为φ30.0lmm,而同轴度误差为φ0.04 mm,求该零件的实效尺寸、作用尺寸。
(2)若测得实际尺寸为的φ30.0lmm、φ20.0lmm,同轴度误差为φ0.05 mm,问该零件是否合格?为什么?
(3)可允许的最大同轴度误差值是多少?

 

第[1][2][3][4][5][6][7][8]页