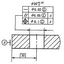
6. 试确定下图中所示孔的最大实体尺寸、单一最大实体实效尺寸、定向最大实体实效尺寸和定位最大实体实效尺寸。

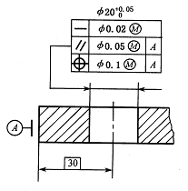
7. 试确定下图中所示孔的最小实体尺寸、单一最小实体实效尺寸、定向最小实体实效尺寸和定位最小实体实效尺寸。

 

第[1][2][3][4][5][6][7][8]页